Produkt
GGD -slipsstång
  • GGD -slipsstångGGD -slipsstång
  • GGD -slipsstångGGD -slipsstång
  • GGD -slipsstångGGD -slipsstång

GGD -slipsstång

Yitai Lock säkerställer att den överlägsna prestanda för lås och GGD-slipsstänger med sitt sofistikerade produktionssystem.


Produktmodell LG -serie låsspak
materiel Järn
färg galvaniserat järn
Produktfunktioner Flexibel rotation/förtjockad panel/antikorrosion och hållbar
Ansökningsområde Distributionslåda/skåp/skåp/alla typer av industriella lådor


Yitai Locks China GGD -slipsstänger exporteras till hela världen. GGD -slipsstänger används huvudsakligen för att fixa, stödja och ansluta elektriska komponenter inuti skåpet för att säkerställa den strukturella stabiliteten och elektriska säkerheten för distributionskåpet.


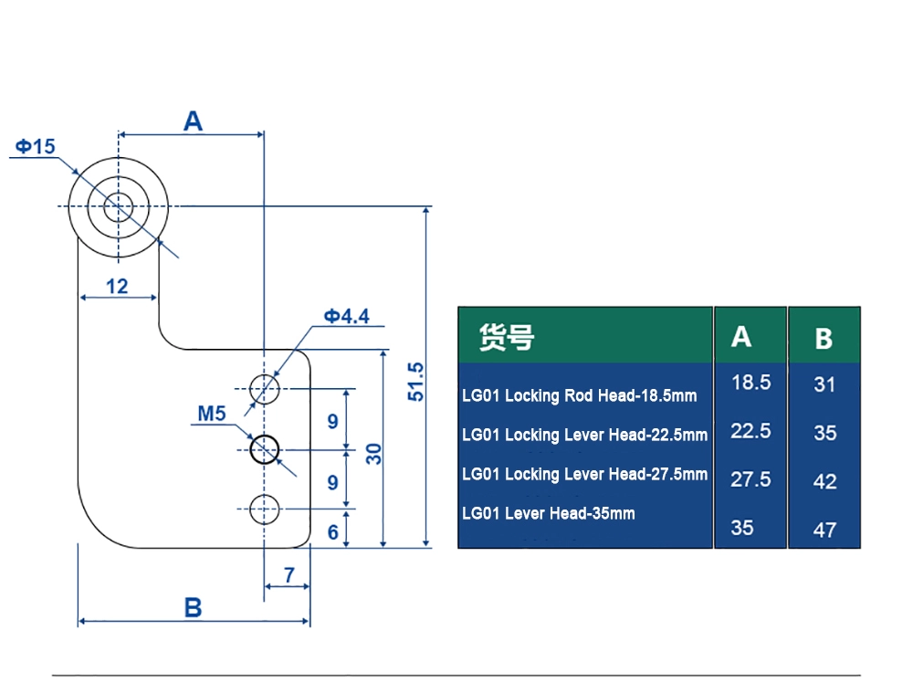
Mått:

Standardlängden på kolstålet (järn) GGD -slipsstång är 1000 mm, andra längder och diametrar kan anpassas.


Drag

GGD -slipsstänger används huvudsakligen för att fixa skåpramen, stödja samlingsrader och ansluta elektriska komponenter för att säkerställa stabiliteten i den övergripande strukturen för distributionskåpet.

Installationsmetod: Bolt eller svetsanslutning med skåpet.

Elektrisk säkerhet: Utformningen av slipsstänger bör övervägas för att upprätthålla ett tillräckligt säkerhetsavstånd från den elektrifierade kroppen för att förhindra förekomsten av elektriskt urladdningsfenomen.


Urvalsguide

Välj längden på GGD -slipsstång enligt skåpstorleken.

Välj tjocklek enligt belastningsbärande krav.

Galvaniserad version rekommenderas för frätande miljöer.

För hög estetikkrav är anpassad plastsprutversion tillgänglig.

Ggd Tie RodGgd Tie RodGgd Tie RodGgd Tie RodGgd Tie RodGgd Tie RodGgd Tie RodGgd Tie RodGgd Tie RodGgd Tie RodGgd Tie RodGgd Tie RodGgd Tie RodGgd Tie RodGgd Tie RodGgd Tie RodGgd Tie RodGgd Tie RodGgd Tie RodGgd Tie Rod


Vanliga frågor

F: Vad kan jag göra om slipsstängerna inte teleskopar smidigt?

S: Kontrollera om det är utländskt objekthinder.

Smörj lederna eller gängade delar.

Ersättning krävs om deformeras eller skadas.


F: Är det möjligt att anpassa längden på GGD -slipsstången?

S: Support Anpassad låsstånglängd och diameter


F: Är GGD -slipsstänger resistenta mot hög temperatur?

S: Vanlig ståltemperaturmotstånd på cirka 200 ° C eller mindre.


F : Hur kan jag se om en slipsstång är skadad?

S: Observera för synliga krökningar, sprickor eller slitna trådar.

Rattling eller fastnat under testning kan vara inre strukturella skador


F: Vad är livslängden på en GGD -slipsstång?

S: Beroende på frekvensen av användning, belastning och miljö, upp till flera år eller mer med normalt underhåll.


Hot Tags: GGD TIE ROD, KINA Tillverkare, elektriskt skåpshårdvara, Yitai Lock -leverantör, Custom Tie Rod Factory
Relaterad kategori
Skicka förfrågan
Kontaktinformation
För förfrågningar om hårdvarulås, hårdvarugångjärn, hårdvaruhandtag eller prislista, vänligen lämna din e -post till oss så kommer vi att ha kontakt inom 24 timmar.
X
Vi använder cookies för att ge dig en bättre webbupplevelse, analysera webbplatstrafik och anpassa innehåll. Genom att använda denna sida godkänner du vår användning av cookies. Sekretesspolicy
Avvisa Acceptera